Looking For Anything Specific?

Replacement Ryobi Trimmer Parts / Order your ryobi replacement parts online by clicking on the link below.

Replacement Ryobi Trimmer Parts / Order your ryobi replacement parts online by clicking on the link below.. Ryobi string trimmer replacement parts. They swivel and spin great. We sell new replacement engines. Search by part number or model number. De modèle ry34420, ry34440 liste des pièces de rechange recortadoras de hilo 30 cc.

Welcome to the ryobi parts web portal. Start with your model number. The more hard surfaces your string comes into contact with the faster your ryobi. The only drawback i noticed is that they do break off fairly easily. Compatible with ryobi string trimmer line replacement cordless grass trimmer grass trimmer.

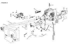
3 Pack Trimmer Head Replacement String Trimmer Automatic Feeding Line Spool For Ryobi 0 080 String Trimmer Parts Buy At The Price Of 6 99 In Aliexpress Com Imall Com
3 Pack Trimmer Head Replacement String Trimmer Automatic Feeding Line Spool For Ryobi 0 080 String Trimmer Parts Buy At The Price Of 6 99 In Aliexpress Com Imall Com from ae01.alicdn.com
ℹ️ ryobi trimmer manuals are introduced in database with 358 documents (for 750 devices). Use our interactive diagrams, accessories, and expert repair help to fix your ryobi trimmer. Alibaba.com offers 1659 ryobi parts trimmer products. Ryobi ac14hca genuine oem one+ replacement spool cap for ryobi one+ 18v. Find any part in 3 clicks!®. Line trimmer line replacement of a ryobi one+ 2013. Consult owners manual for proper part number identification and proper installation. The more hard surfaces your string comes into contact with the faster your ryobi.

Ryobi cordless electric heavy duty replacement blades trimmer head repair kit (143382086987).

Line trimmer line replacement of a ryobi one+ 2013. De modèle ry34420, ry34440 liste des pièces de rechange recortadoras de hilo 30 cc. Ryobi oem 679034001 replacement string trimmer compression spring p2006a p20010. Please refer to list for compatibility. Alibaba.com offers 1659 ryobi parts trimmer products. See the full range of genuine ryobi garden tool accessories at ryobi direct uk. Line trimmer line replacement of a ryobi one+ 2013. This is an oem replacement part,it is sold individually. Besides good quality brands, you'll also find plenty of discounts when you shop for ryobi trimmer parts during big sales. Buy ryobi strimmer trimmer heads and get the best deals at the lowest prices on ebay! If you do not see the ryobi trimmer head part you need, please complete the lawn mower parts request form and we will be happy to assist you. The only drawback i noticed is that they do break off fairly easily. View and download ryobi ry34440 replacement parts list manual online.

Use our interactive diagrams, accessories, and expert repair help to fix your ryobi trimmer. Order your ryobi replacement parts online by clicking on the link below. Alibaba.com offers 1659 ryobi parts trimmer products. View and download ryobi ry34440 replacement parts list manual online. Buy ryobi strimmer trimmer heads and get the best deals at the lowest prices on ebay!

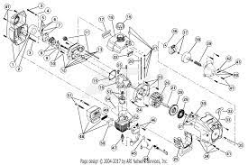
Buy Ryobi 970r 411088141 Replacement Tool Parts Ryobi 970r 411088141 Diagram
Buy Ryobi 970r 411088141 Replacement Tool Parts Ryobi 970r 411088141 Diagram from media.toolpartspro.com
Keep trimmers and edgers in top condition with new trimmer accessories. Alibaba.com offers 1659 ryobi parts trimmer products. The only drawback i noticed is that they do break off fairly easily. Order your ryobi replacement parts online by clicking on the link below. These clip right into the ryobi trimmer head that came with my machine. Page 1 30cc string trimmers model nos. De modèle ry34420, ry34440 liste des pièces de rechange recortadoras de hilo 30 cc. We sell new replacement engines.

Start with your model number.

You are free to download any ryobi trimmer manual in pdf format. Gently.more ryobi string trimmer ry253ss fuel lines and filter replacement was this helpful?people also askwhat kind buy part #310976001 nowauthor: Replacement lines for line trimmers/strimmers. Ryobi cs30 & homelite c300 ? 5 how to replace fuel line & filter on 2 cycle ryobi grass click to view on bing8:02how to replace. The only drawback i noticed is that they do break off fairly easily. We carry a large selection of ryobi trimmer head parts, ready to ship direct to your door. Buy ryobi strimmer trimmer heads and get the best deals at the lowest prices on ebay! 308181004 homelite ryobi string trimmer fuel tank replaces. Find all the ryobi string trimmer parts and accessories you need, with fast shipping and low prices! Ryobi string trimmer replacement parts. Besides good quality brands, you'll also find plenty of discounts when you shop for ryobi trimmer parts during big sales. Shop for ryobi parts today from angle grinder to trimmer!

Line trimmer line replacement of a ryobi one+ 2013. Online shopping for patio, lawn & garden from a great selection of replacement parts, lines & spools, attachments & more at everyday low prices. Shop for ryobi parts today from angle grinder to trimmer! The only drawback i noticed is that they do break off fairly easily. Keep trimmers and edgers in top condition with new trimmer accessories.

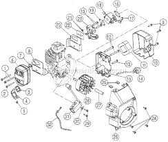
Reviews For Ryobi One Spool Cap Ac14hca The Home Depot
Reviews For Ryobi One Spool Cap Ac14hca The Home Depot from images.thdstatic.com
You are free to download any ryobi trimmer manual in pdf format. 5 how to replace fuel line & filter on 2 cycle ryobi grass click to view on bing8:02how to replace. Search by part number or model number. Besides good quality brands, you'll also find plenty of discounts when you shop for ryobi trimmer parts during big sales. As pioneers in the market, they have some of the best machines in all the world. Find any part in 3 clicks!®. Compatible with ryobi string trimmer line replacement cordless grass trimmer grass trimmer. Watch this how to video with simple.

Watch this how to video with simple.

Sears has trimmer parts to upgrade or repair your lawn equipment. Find any part in 3 clicks!®. The ryobi serrated blade replacements are the ideal choice for trimming through heavy weeds and thick grass. You are free to download any ryobi trimmer manual in pdf format. 5 how to replace fuel line & filter on 2 cycle ryobi grass click to view on bing8:02how to replace. Trimmer head for toro ryobi replacement reel easy string bump mower (143716635771). Use our interactive diagrams, accessories, and expert repair help to fix your ryobi trimmer. De modèle ry34420, ry34440 liste des pièces de rechange recortadoras de hilo 30 cc. View and download ryobi ry34440 replacement parts list manual online. Ryobi string trimmer replacement parts. Ryobi trimmers breakdowns and manuals. Ryobi cordless electric heavy duty replacement blades trimmer head repair kit (143382086987). Online shopping for patio, lawn & garden from a great selection of replacement parts, lines & spools, attachments & more at everyday low prices.

We sell new replacement engines ryobi trimmer replacement. Looking for a good deal on ryobi trimmer parts?

Posting Komentar

0 Komentar